
AUP – B 판넬 매입형 시그널 혼
![]()
![]()
- 8화음으로 출력되며 소리가 웅장하고 풍부하며 맑고 깨끗한 음이 출력 됨
- 판넬용 부저 및 경보기로써 4개의 채널로 구성되어 있으며 채널 선택에 따라 음색을 사용자가 선택이 가능함
- 멜로디음 5가지, 부저음 7가지를 조합 선택에 따라 사용자가 조절하며 보이스기능 주문제작 가능함
- 스티커 제거 시 보이는 DIP 스위치를 통하여 사용자가 내장음 조합 조절이 가능 (※내장음 사양표 참조)
- 사용자 셋팅이 어려울 경우 주문사양으로 원하는 셋팅을 기본으로 설정 가능함
- 제품 뒷면에서 볼륨 조절이 가능함
- 최대 음량 : Max. 90dB
- 재질 : ABS
- 사용 주위 온도 : -25~50℃
Video 제품 영상
• 판넬 매입형 시그널 혼
Ordering Information 형명식별법
Specifications 제품 사양
- 스티커 제거 시 보이는 Dip 스위치 및 외부의 채널 단자로 음색 조합 조절이 가능
- 볼륨 조정시 (-) 드라이버를 사용하여 살짝 돌려서 조절가능
◎ AUP-B 판넬 매입형 시그널 혼
| MODEL | 내장음 사양 | 정격 전압 | 소비 전류 | 중량 | |||
|---|---|---|---|---|---|---|---|
| 채널 | 내장음 | 음량 | |||||
| AUP-B | A1 | 멜로디(AM) 딥스위치 2,3,4번 on |
터키 행진곡 | Max. 90dB | AC110V/220V 겸용 | 0.5(A) | 272g |
| A2 | 피아노 소나타 | ||||||
| A3 | 즐거운 나의집 | ||||||
| A4 | 엘리제를 위하여 | ||||||
| A1 | 부저(AB) 딥스위치 1,2번 on |
삐~삐~삐 | DC12V/24V 겸용 | 1.2(A) | 184g | ||
| A2 | 딩동 | ||||||
| A3 | 삐이이 | ||||||
| A4 | 삐삐삐삐 | ||||||
※ DC극성 : 빨(+) / 검(-)
Sound 내장음 사양표
◎사용자의 선택에 따라 DIP 스위치 및 입력핀 채널 조정으로 변경이 가능함
| DIP / SW 조정 | 입력핀 | |||
|---|---|---|---|---|
| A1 | A2 | A3 | A4 | |
전체 OFF |
딩동댕 | 피아노 소나타 | 요술피리 | 즐거운 나의집 |
1번 ON |
딩동 | 전화벨 | 삐삐삡 | 딩동댕 |
2번 ON |
요술피리 | 피아노 소나타 | 엘리제를 위하여 | 전화벨 |
3번 ON |
피아노 소나타 | 터키 행진곡 | 즐거운 나의집 | 요술피리 |
4번 ON |
엘리제를 위하여 | 터키 행진곡 | 즐거운 나의집 | 삐삐삐삐 |
1,2번 ON |
삐~삐~삐 | 딩동 | 삐이이 | 삐삐삐삐 |
1,3번 ON |
요술피리 | 엘리제를 위하여 | 터키 행진곡 | 즐거운 나의집 |
1,4번 ON |
요술피리 | 즐거운 나의집 | 전화벨 | 딩동댕 |
2,3번 ON |
요술피리 | 터키 행진곡 | 피아노 소나타 | 삐삐삐삐 |
2,4번 ON |
즐거운 나의집 | 요술피리 | 터키 행진곡 | 딩동 |
3,4번 ON |
요술피리 | 즐거운 나의집 | 딩동 | 전화벨 |
1,2,3번 ON |
엘리제를 위하여 | 즐거운 나의집 | 요술피리 | 피아노 소나타 |
1,2,4번 ON |
요술피리 | 터키 행진곡 | 즐거운 나의집 | 삐~삐~삐 |
1,3,4번 ON |
요술피리 | 피아노 소나타 | 즐거운 나의집 | 딩동댕 |
2,3,4번 ON |
터키 행진곡 | 피아노 소나타 | 즐거운 나의집 | 엘리제를 위하여 |
1,2,3,4번 ON |
피아노 소나타 | 요술피리 | 엘리제를 위하여 | 터키 행진곡 |
Drawing 외형도
단위 : mm
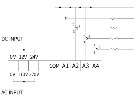
TR 및 SSR 사용방법

Wiring diagram 결선도
단자타입
케이블타입[보이스]
| 트랜지스터 | 무접점 릴레이 | |
|---|---|---|
| 형식 | NPN트랜지스터(2SC 및 2SD) | 직류부하용 전류 출력형(오픈 콜렉터) |
| 내전압 | Vc 〉 12V | |
| 전류용량 | IC 〉 10mA (10mA 이상) | |
| 누설전류 | ICBD 〉 0.1mA (0.1mA 이하) | |
| 허용전압 | VAST 〈 1V (1V 이하) | |
Data Room 자료실
- 전체
- 카달로그
- No. 자료명 다운로드
- 세기비즈 전체 카달로그 (PDF) 다운로드
- 아이룩스 전체 카달로그 (PDF) 다운로드
- 판넬 매입형 시그널 혼 카달로그 (PDF) 다운로드
- No. 자료명 다운로드
- 세기비즈 전체 카달로그 (PDF) 다운로드
- 아이룩스 전체 카달로그 (PDF) 다운로드
- 판넬 매입형 시그널 혼 카달로그 (PDF) 다운로드
